| Electric tailgate development collection evaluation data (SUV) | ||
| 1 | The length of the original gas rod (take the center point of the ball head) | ![]() |
| 2 | Original air rod working stroke Stroke position after opening and compression (can be marked) |
![]() |
| 3 | The force value of the pneumatic rod is photographed at the mark position of the original support rod (the unit is the value of N) | |
| 4 | Tailgate height (from level ground to bottom of tailgate trim cover after opening in place) | |
| 5 | Body left and right brackets (strut brackets) Draw 2D sketches and place photos |
|
| 6 | Door left and right brackets (strut brackets) Draw 2D sketches and place photos |
|
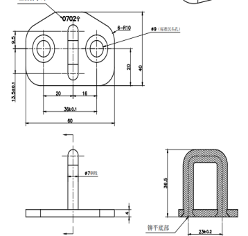
| 7 | Lock hook base diagram draw 2D sketches |
|
| 8 | The diameter of the tailgate outlet hole (measured with a caliper) | |
| 9 | Original car lock picture | |
| 10 | Whether the original remote control has an unlocking response by pressing the tailgate button, and observe whether the original lock has an unlocking action | |
| 11 | The width and height of the upper and lower positions of the body struts, pay attention to the size of the raised position | |
| 12 | The pictures of the tailgate and the body parts are required, (the location includes: the top, bottom, left, right, and left of the body door, and the head and tail pictures of the original struts) | |
| 13 | Detail space picture of sheet metal on tailgate | ![]() |
| Data | Requires | Picture |
| Tailgate data collection |
1.Record the height of the tailgate and scan the data diagram
2.Record the torque value of the original car strut |
![]() |
| Data collection by buttons in the tailgate | 1. When scanning data, it is necessary to remove the trim panel of the inner handle of the tailgate for scanning. | |
| Main driver's tailgate button to collect data | 1. When scanning data, you need to remove the driver's blind plug button for scanning. | |
| Tailgate lock collection data | 1. When scanning data, you need to remove the tailgate lock, and then lock the tailgate lock for scanning. | |
| Lock hook to collect data | 1. When scanning data, you need to remove the lock hook for scanning. 2. When scanning data, it is necessary to remove the pedal decorative plate for scanning. |
|
| Pole Mounting Brackets Collect Data | When scanning data, the body/door brackets need to be removed for scanning. | |
| Data collection after protection | 1. When scanning data, it is necessary to remove the rear protection decorative plate for scanning. | |
| Connector collects data | 1. Take a picture of the connector / record the terminal function definition and size | ![]() ![]() ![]() |







